*产品名称:2位5通电磁阀
*产品品牌:ASCO
*产品型号:SC8551A002MS
*产品特点:
ASCO 551 系列是一种紧凑的电磁阀,适合在复杂环境中用于控制空气或惰性气体。阀门的设计结合坚硬的 T 形密封件和灵活的 O 形环,具有气泡密封性、耐污垢性以及可经历数百万次XUN环的可靠性。551 系列具有阳极氧化铝、黄铜和不锈钢阀体,以及 14 英寸的 NPT 和 BSP 连接。此阀门适用于化工、精炼、食品饮料加工中的复杂环境。
*产品功能说明:
• 阀体材料为铝或 316L 不锈钢
• 排气口中,可安装管道,可更*-好地抵御复杂环境。
• DIN、防水、防爆的电磁阀适用于任务关键区域和危险区域
• 低功耗结构适合远程和替代电源位置
• 通向执行机 构弹簧侧的一体式呼吸块排气口用于排气,防止腐蚀
• Ex 批准;ATEX、IEC EX、NEPSI、CUTR、KOSHA、UL、CSA、InMetro
• NAMUR 的所有端口都位于同一侧,以获得更*-好的防水和防尘性能
• 所有防爆电磁管均可用:Ex d、Ex mb、Ex ia/Ib、Ex emb、NEMA
• 有极寒型号可供选择,适合在 -60&℃ 的低温度下使用
*SC8551A002MS产品参数:

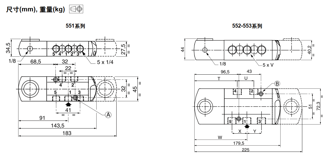
*SC8551A002MS产品尺寸图:

* ASCO电磁阀产品图片:









