产品介绍
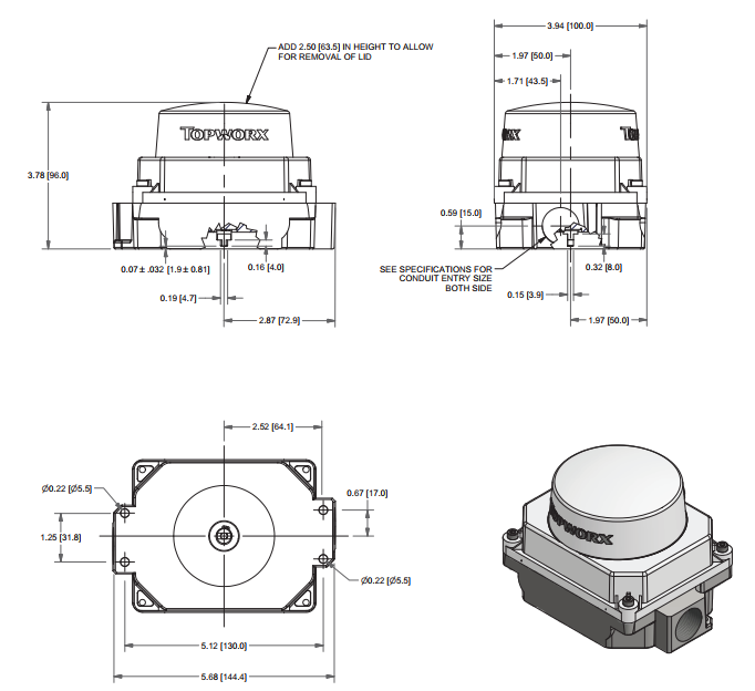
TopWorx TVF阀位开关 是非易燃应用的理想选择。我们的 TX 系列开关盒通过在紧凑的直接安装外壳中提供全部功能来提供卓 -越的价值。TX 系列配备各种位置传感器、集成电磁阀和总线网络,适用于所有危险区域,满足 IECEx、ATEX 和 UL 。
TX 系列产品线中的 GO Switch 产品提供与现有 GO Switch 相同的可靠性,并具有改进的功能和优势。36 GO Switch 将为 TX 和 TV 机箱提供 2 或 4 个开关配置选项。集成电磁阀在 2 开关配置中是可选的,可实现更多控制。
TVF开关盒的新LED选项具有绿色和红色LED用于打开和关闭位置指示。带LED选项的TVF正是您所需要的,它可以帮助您提高应用程序中的可见性。这种开关盒可以订购一个电磁阀,为一个完全集成的解决方案。

TopWorx TVF阀位开关 特征
本安,适用于所有环境
多种总线网络和传感器选项
抗冲击高可视显示器
彩色编码扭曲凸轮提供较简单的调整
环境可靠性
更多产品








