*产品名称:2位5通电磁阀
*产品品牌:ASCO
*产品型号:EF8210G004
*产品特点:
ASCO二通电磁阀8210系列 模铸一体式电磁线圈, 高*-效率先导阀头, 线圈功耗仅为1.4W。线圈环境工作温度176˚F (80˚C)。设计用于以下工厂自动化控制系统,PLC和DCS系统中BUS总线以及传统接线方式,降*-低温升,延长电池组时长,减少接线成本,降*-低能耗。适用电磁阀范围: 2/2常闭, 3/2常闭(包括快开型), 3/2通用型, 4/2, 5/2和5/3。介质为压缩空气或中性气体。
*产品功能说明:
电磁阀适用于洁净, 干燥的压缩空气或惰性气体, 过滤精度40微米或更佳,为了防*-止结冰, 控制暴露于室外的接口处的露点低于18˚F (-8˚C), 如果通过润滑过的空气, 那么润滑剂必须同丁氰橡胶化学性质一致, 双脂类合成润滑油可能会造成控制问题出现仪表用压缩空气符合ANSI/ISA S7.3-1975(R1981)标准。
*VCEFCMHT8210G002产品参数:

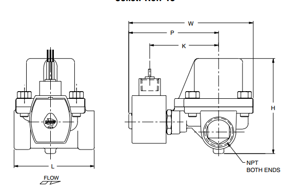
*VCEFCMHT8210G002产品尺寸图:

* ASCO电磁阀产品图片:









