DHF系列高流量减压器,配备法兰接口,遵循EN 1092标准,为气体应用精心打造。高流量特性,成为气体供应设施中的优选装备,满足大流量需求场景。
DH系列TESCOM单级调压器规格型号
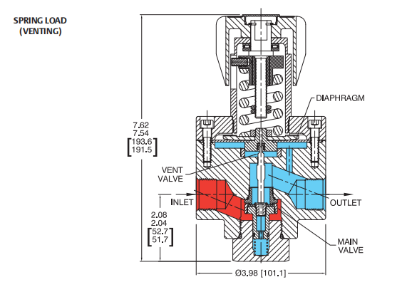
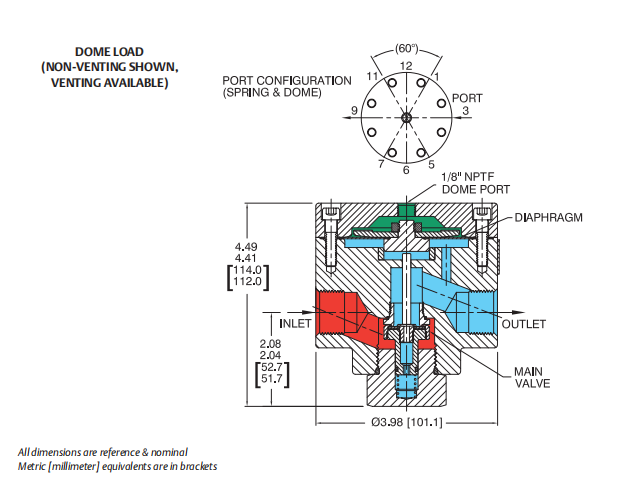
1-入口压力高达500 psig / 34.5 bar,支持0-250 psig / 0-17.2 bar的广泛出口压力调节,满足各类gao精度气体控制需求。
2-阀体、阀帽及后盖采用316不锈钢或黄铜打造,搭配乙丙橡胶、增强尼龙及Gylon (PTFE)阀膜,产品在不同环境下均能稳定运行,持久耐用。
3-CTFE、Vespel材质排放口,搭配丁腈橡胶、乙丙橡胶、Chemraz、Viton等多种材质O形圈,实现排放与密封性能。
4-可在-4°F~165°F / -20°C~74°C的宽温范围内正常工作,无惧严寒酷暑,确保系统稳定运行。
5-提供1/4、1/2、3/4、1英寸NPTF、HPIC及单法兰等多种端口尺寸与类型,灵活适配各类工业系统。
6-Cv值高达5.0,气体流通效率高,系统能耗少。
7-支持弹簧、气室、空气(可选)等多种负载类型,满足不同应用场景下的压力控制需求。
8-不锈钢版本重15 lb / 6.8 kg,黄铜版本重16 lb / 7.3 kg,坚固耐用的同时,便于安装。
DH系列TESCOM单级调压器选型参考












