*产品名称:2位3通电磁阀
*产品品牌:ASCO
*产品型号:8327G022
*产品特点:
ASCO电磁阀8327G022不锈钢阀体 直动式 平衡提升结构,直动式, 基
本流量,带手动复位结构可失电跳闸。
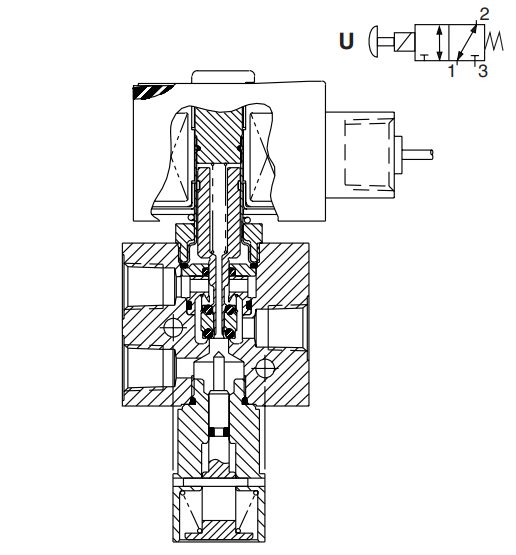
ASCO 327 3/2 通直动式电磁阀
ASCO 327 系列,也称为 8327,是一系列 3/2 通直动式电磁阀,要求 低工作压力为零。其平衡的提升阀结
构允许在 低功率水平下实现高流量,使其成为发电厂、炼油厂和化学加工设施的理想选择。阀门的 PTFE
卡环和石墨填充密封件可减少摩擦并消除粘连,从而提供you越的使用时长。3/2 通直动式电磁阀是过程阀
先导应用的理想选择。
*产品功能说明:
. 符合IEC 61508系统 的规范
. 基本流量, 用作执行器先导阀, 工作压力范围宽, 无 小操作压差
. PTFE平衡环, 石墨填充PTFE密封, 减少摩擦和粘附
. 线圈为金属外壳, 不锈钢H级绝缘材质
. 低功耗设计
. 低温应用设计
. 标准DC线圈带峰值抑流二极管及金属外壳
. 电磁阀符合相关的EC规范
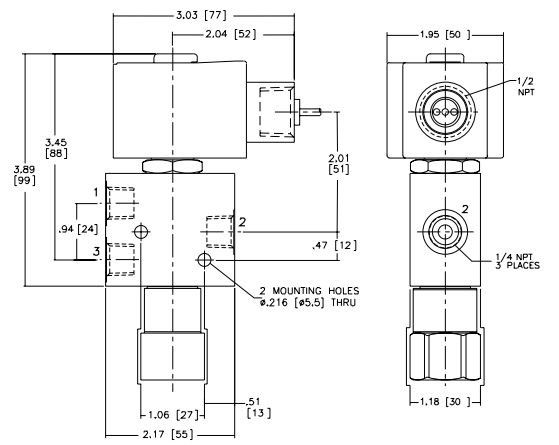
*8327G022产品参数:

*8327G022产品尺寸图:

* ASCO电磁阀产品图片:










