*产品名称:2位3通电磁阀
*产品品牌:ASCO
*产品型号:8317G001
*产品特点:
ASCO电磁阀8317G001 黄铜 快速排气 1/4常闭 2位3通 先导操作, 黄铜/不锈钢阀体
ASCO 317 系列快速排气电磁阀,也称为 8317,是一系列快速排气电磁阀,设计用于通过排气孔快速排气到 0 psi,以快速切换控制阀。这些阀门可用于低功率、本质安-全、电压范围和恶劣环境结构。317 系列适用于各种应用,例如汽车、分析和诊断仪器、生物燃料、除尘器系统和加热设备。
*产品功能说明:
• 通过排气口快速排放使压力迅速降为0psi
• 弹性底座更利于电磁阀关紧
• 快速排气可使电磁阀快速动作
• 可应用于众多行业
• 可任意的位置安装
*8317G001产品参数

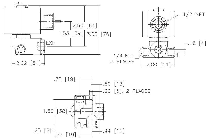
*8317G001产品尺寸图:


* ASCO电磁阀产品图片:









