*产品名称:2位3通电磁阀
*产品品牌:ASCO
*产品型号:8320G172
*产品特点:
ASCO直动式电磁阀 8320G172 NFT1/4 不锈钢 2位3通
ASCO的320系列,也称为 8320,是为广泛的应用而设计的通用电磁阀。直动式阀门可用于电压范围、恶劣环境、直接安装、滴液控制和使用时长结构。它们适用于分析和诊断设备、除尘器系统以及冲压车间和金属冲压.
*产品功能说明:
所有 NPT 螺纹都在阀体中,以允许在线管道
无需 低工作压差
提供黄铜和不锈钢结构
可安装在多种位置
可在干燥空气或气体应用中将使用时长到 2000 万次。轻松处理快速循--环或持续通电
环境模型提供低功耗以及阀门和执行器的快速关闭。满足 UL、CSA、ATEX 和 IIECEx
RedHat 下一代型号提供电压范围和低功耗运作。阀门具有 I 类 2 类线圈
*8320G172产品参数

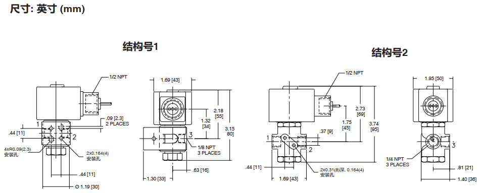
*8320G172产品尺寸图:

* ASCO电磁阀产品图片:









