*产品名称:2位5通电磁阀
*产品品牌:ASCO
*产品型号:EF8210G004
*产品特点:
ASCO隔爆二位五通电磁阀NFG551A421NF模铸一体式电磁线圈,先导阀头,线圈功耗只有1.4瓦,线圈环境温度不高于80度。阀体黄铜/不锈钢。设计用于以下工厂自动化控制系统-PLC和DCS系统中BUS总线以及传统接线方式,减少降温,减少接线成本,减少能耗,可用于2位2通,介质为水、油和中性气体等.
*NFG551A421产品参数:

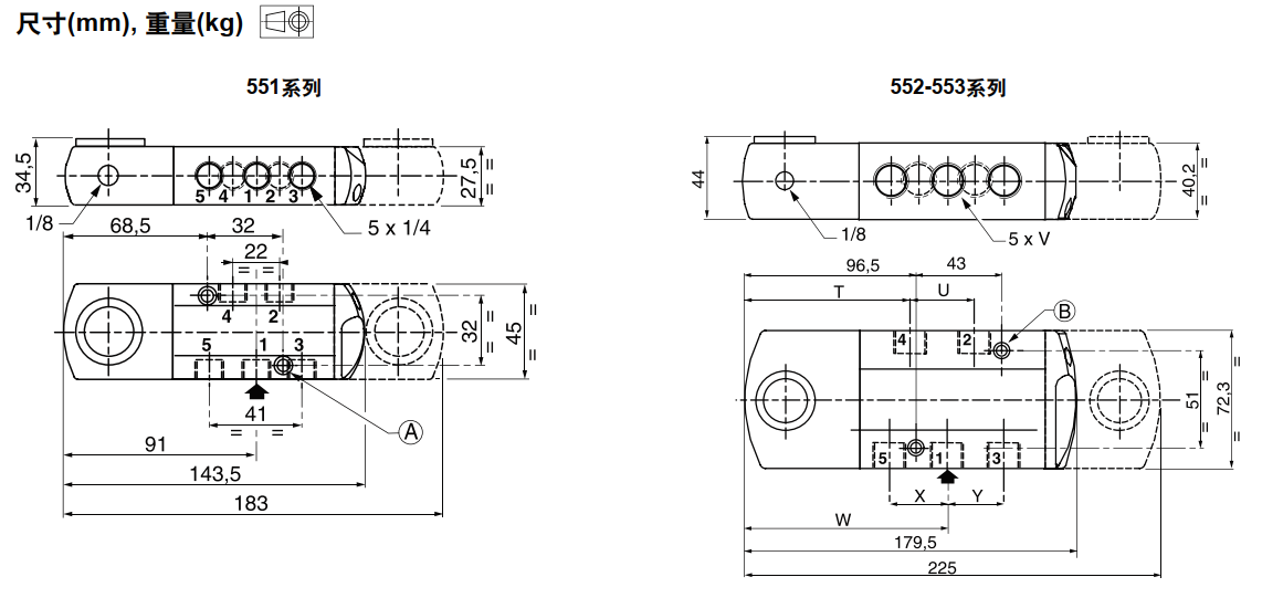
*NFG551A421 产品尺寸图:

* ASCO电磁阀产品图片:









