ASCO防爆线圈WSNF 的防爆等级和适用场合
ASCO防爆线圈WSNF根据安装在爆炸性气体环境中使用的电气设备 (IEC 60079-10) 的保护指数来划分危险区域, 这种方式被证明是可行的,
也同样适用于爆炸性粉尘环境 (IEC-EN 61241-10)
新版本的IEC 60079-0 (2007) [EN 60079-0 (2009)] 将用两个新标准逐步替换IEC-EN 60079-10和IEC-EN 61241-10:IEC-EN 60079-10-1: 区域分类, 爆炸性气体环境
IEC-EN 60079-10-2: 区域分类, 可燃性粉尘环境 (粉尘组别/EPL)
电气设备安装的选择和实施要遵循EN 60079-14

可能出现爆炸潜在爆炸性环境定义
不同区域的分类有两个目标 (依照 ATEX 1999/92/EC):
- 区域内的设备类别使用于气体, 薄雾, 蒸汽或粉尘
- 区域内危险的地方应避免火源, 选择对应的正确的电气或非电气设备, 区域的划分是根据爆炸性气体或粉尘发生爆炸情况
来划分的.
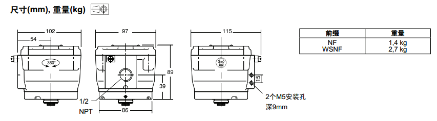
WSNF电磁头
为易爆环境设计的隔爆外壳 II 2 G/D Ex d IIC Gb T6..T4 / Ex t IIIC Db IP67 铝质, 不锈钢材质
ASCO防爆线圈WSNF 特点
• 该防爆外壳满足ATEX-Directive ATEX 2014/34/EU, 应用于潜在爆炸环境
• 满足欧洲标准EN-IEC 60079-0, EN-IEC 60079-1和EN-IEC 61241-1的EC
(LCIE 00 ATEX 6008 X)和IECEx(IECEx LCI 07.0015X)
• 螺钉接线端子式的简易配线方式
• 线圈外壳有1/2NPT螺纹孔(M20 x 1.5 可选), 为各种配线提供可能
• 防护防水为IP67
• 该控制部分可配置吸合和推出两种电磁铁并可应用于ASCO的多种阀体

ASCO防爆线圈WSNF
产品选型指导
(需要配合主阀体一起来进行选型)
第1步
选择基本型号, 包括代表螺纹标准的前缀字母等, 见相关参数表示例: 8327B002
第2步
选择电压, 请参考上页标准电压示例: 230V / 50/60Hz
第3步
选择 (组合) 前缀, 请参考本页前缀表以及要符合相关功耗等级, 考虑冷态线圈功耗和上页涉及的"T"级线圈注意事项
注意: 请确定环境温度没有超出电磁阀的允许温度范围示例: WSNF60°C 环境温度基本功耗 (BP) 10W
II 2G Ex d IIC Gb T5
II 2D Ex t IIIC Db IP67 T100°C
第4步
最终型号 / 订购号
示例:WSNF 8327B002 230V / 50/60 Hz
ASCO防爆线圈WSNF的防爆证书
ASCO电磁阀中符合隔爆型的电磁阀有很多,例如以下型号:
NFG553A418 24VDC
NFET8327B122 24VDC
NFET8327B102 24VDC
WSNF8327B302 24DC
WSNF8327B302 MO 24VDC
NF8327B122 24VDC
NF8327B112 1/2NPT 24VDC
NFG551B417 24VDC
WSNF8327B102MS 24VDC
WSNF8327B112MS DC24V
WSNFB210D189 AC220V
WSNF8327B202 220VAC
NFET8551B305MO 24VDC
WSNF8551A421 220VAC
NF8551A309MO 24VDC EX D II CT4
WSNF8327B102 24VDC
WSNF8327B102 24VDC
WSNF8327B012 230/50
NFET8327B132 24VDC
WSNF8327B132 24VDC
WSNFB210C087V 230/50
NF8327B002M0 24VDC
NF8551B401 24VDC
NFG551B401MO 24VDC
NFET8327B101MO 24VDC
NFXG353A047 24VDC
NFG353A044 24VDC
NFG353A044 24VDC
NF8551B301MO 24VDC
WSNFG353D134 24VDC
WSNFG353D134 24VDC
WSNF8327B112 24VDC
NFG353A047 24VDC
NFG353A047 24VDC
WSNFETG353D134 24VDC
WSNFETG353D134 24VDC
WSNF8551A321MO 24VDC
WSNF8551A321MO 24VDC
WSNF8551A322MO 24VDC
WSNF8551A322MO 24VDC
WSNF8327B202MS AC220V
WSNFG551A322 24VDC
WSNFG553A321 24VDC
WSNFG551A321 24VDC
WSNFB210D189 DC24V
NFB210B078 220V
NFG353G044 DC24V
WSNF8327B202MO AC220V
NF8551A421 220VAC
NFG553A417 DC24V
WSNF8551A422 AC220V
WSNF8551A322 DC24V
WSNF8327B102MO DC24V
WSNF8327B102MO DC24V
NFG353D133V 230V/50HZ
NFG353G047 24VDC
NF8PAN520N00000
NF5BAN524G00061
WSNF8551A309MO DC24V
WSNF8551A309MO DC24V
NFB210D002 DC24V
NFB210D002 DC24V
WSNF8210A127 DC24V
NFG551A322MO DC24V
NFG551A322MO DC24V
NFG551A321MO DC24V
NFG353A043 DC24V
WSNF8551A321 24VDC
WSNFET8551A321MO 24VDC
WSNFET8551A322MO 24VDC
NFXE353.060 DC24V
WSNFG353G133 24VDC
NF8210C087 24DC NPT1/2接口 不锈钢阀体
WSNF8327B002 125VDC
WSNF8327A610 125VDC
NF8327A605 24DC
WSNFG353D132 DC24V
NF8327B102MS 24VDC
NF8316A064MB DC24V
NFG553A321 DC24V
NFG353D132 DC24V
WSNF8327B312 24VDC
NFE210B154 24DC
WSNF8210A129 220V
NFET8327B102MS DC24V
NF8327B202 220V
NF8210A132 AC220V
WSNF8327B002 220/50
NF8551B305 24DC
NFB210D004 DC24V
NF8327B002 230/50
NFB370A026MS 24VDC
NF8327B002 110VAC
NF8210A127 220VAC
NF8210A129 220VAC
NF8551B401MO DC24V
WSNF8210A127 220VAC
NFG551B317MO DC24V
NFG551B318MO DC24V
NFG353A050V DC24V
NF8327B102 48VDC
WSNF8553A322 24VDC
NFG353D134V 24VDC
NF8327B302 DC24V
WSNFG353D133 24DC
NFXE353.060 220V
NFG353A051 220VAC
NFG553A317MO DC24V
NF8210C088 AC220V
WSNF8210C088 220VAC
WSNF8210A129 DC24
WSNF8551A310MO DC24
WSNF8551A310MO DC24
NF8327B102MO 24VDC
NF8551A321MO 24VDC
WSNF8551A409 24VDC
WSNFET8327B102 24VDC
NFG353.052 24VDC φ3/4旋压接头
NFG353D134 不锈钢 24VDC
NFG551A421 24DC
NF8327B102 24DC
NF8327B102 24DC
- 上一篇:现场总线阀岛模块AVENTICS安沃驰 AES系列怎样组装 2022/3/26
- 下一篇:TopWorx阀位开关 TX系列的选择与使用 2022/3/25


