ASCO防爆电磁阀VCEF
ASCO电磁头VCEF为易爆环境设计Ex d mb II CT3~T6 Gb,Ex mbD 21 tD A21 IP66/67 T85°C~T200°C铝质接线盒
ASCO防爆电磁阀VCEF特点
• 与ASCO电磁阀相配的防爆型接线盒
• 适用于易爆环境使用, 符合标准 - GB
• NEPSI(GYJ11.1695X)符合GB3836.1, GB3836.2, GB3836.9, GB12476.1
• 静电环氧粉末涂料, 不锈钢螺丝, 环氧浇封线圈, 在腐蚀环境中提供良好的保护
• 预配电缆及组装至其他ASCO RedHat II防爆线圈
• 简便的电缆连接, 独立的防爆接线盒降低安装成本
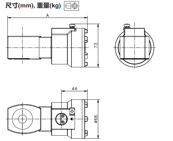
• 耐压防爆接线盒有4个方向的出线口及3种规格的螺纹孔

结构
壳体及端盖 环氧涂料及压铸铝
垫圈 硅橡胶(VMQ)
线圈 环氧树脂浇封
接地螺丝 不锈钢
接线端子块 陶瓷

VCEF线圈的前缀说明表:

适用于VCEF线圈的ASCO电磁阀的型号:
VCEFCP8210G094
24VDC
VCEFCMG353G047 AC220V
VCEFCP8551G317MO 24DC
VCEFCMG551H401M0 24VDC
VCEFCM8210G088 220VAC
VCEFCMG353G043 DC24V
VCEFCMG551H401M0 24VDC
VCEFCM8531G401M0 220VAC
VCEFCM8531G302MO DC24V
VCEFCMG551H401M0 220VAC
VCEFCM8320G186 24DC
VCEFCM8531G302MO DC24V
VCEFCP8531G301MO 24VDC
VCEFCM8320G202 220V
VCEFCM8210G036 DC24V
VCEFCM8210 G004 G1(DN25)
24VDC
VCEFCM8210G087 DC24V
VCEFCM8210G089 220VAC
VCEFCP8210 G094
G1/2(DN15),AC220V
VCEFCM8210G087 DC24V
VCEFCM8210G087 220VAC
VCEFCM8210G002 220VAC
VCEFCM8210G088 DC24V
VCEFCM8551G405 DC24
VCEFCM8553G301 24VDC
VCEFCM8210G089 DC24V
VCEFCM8531G318MO DC24V
VCEFCM8320G174 24VDC
VCEFCM8210G095 AC220V
VCEFCMG551H402MO DC24
VCEFCM8553G417MO 220V/50HZ
VCEFCM8314G301 24VDC
VCEFCMG551H402MO DC24
VCEFCM8262H080 DC24V
VCEFCM8210G100 24VDC
VCEFBM8320G174 DC24V
VCEFCM8210G003 24VDC
VCEFBM8320G202MS 220V/50Hz
VCEFCM8551G302MO 24VDC
VCEFCM8320G184 24VDC
VCEFCM8210G127 220VAC
VCEFCM8551G302MO 24VDC
VCEFCMG551H401MO 120VDC
VCEFCM8210G100 220VAC
VCEFCM8553G417MO 24VDC
VCEFCP8551G301MO 24VDC
VCEFCM8551G301MO 24VDC
VCEFCM8553G467MO 24VDC
VCEFCP8551G301MO 24VDC
VCEFCM8551G301MO 24VDC
VCEFCM8215G060VM 24VDC
VCEFCM8210G100 AC220V DN50
VCEFCP8551G301 DC24V
VCEFCM8531G317MO DC24V
VCEFCM8210G022 AC220V DN40
VCEFCM8262G186 DC24V
VCEFCM8262H007 220VAC
VCEFCM8210G004 220VAC DN25
VCEFCMG353G053 DC24V
VCEFCM8262H036 DC24V
VCEFCM8531G401MO 24VDC
VCEFCMG353G053 DC24V
VCEFDM8320G174 DC24
VCEFCM8531G401MO 24VDC
VCEFCMHT8342G720 AC220
VCEFDM8320G174 DC24
VCEFCM8316G054MB 24VDC
VCEFCM8551G417MO 110VAC
VCEFCM8551G305MO DC24V
VCEFCPG553G418 24VDC
VCEFCM8551G402MO 110VAC
VCEFCM8551G305MO DC24V
VCEFCM8210G004 24VDC
VCEFCM8262H020 110VAC
VCEFCP8551G302MO 24VDC
VCEFCMG551H301MO 24VDC
VCEFCPG531H301MO DC24V
VCEFCP8551G302MO 24VDC
VCEFCMG551H301MO 24VDC
VCEFCPG531H301MO DC24V
VCEFCP8262H038VH 24VDC
VCEFCM8210G002 24VDC
VCEFCM8551G317MO 24DC
VCEFCMX8320G200 TPL24072 DC24V
VCEFCPG553A418 24VDC
VCEFCM8262H038VH 24VDC
VCEFCM8210G034 24VDC
VCEFCM8210G132 220V
VCEFCM8210G227 DC24
VCEFCM8531G402MO 220/50
VCEFCM8210G036 220V
VCEFCMG551H417MO 24VDC
VCEFCM8531G402MO 220/50
VCEFCP8531G401MO 24VDC
VCEFCM8314G300 DC24V
VCEFCM8215G020 DC24V
VCEFCP8531G401MO 24VDC
VCEFCM8262H086V 24DC
VCEFCM8531G301MO 24VDC
VCEFCMG531H301MO 24VDC
VCEFCMG353G047 DC24
VCEF8210G088 24VDC
VCEFCMG531H301MO 24VDC
VCEFCMG353G044 DC24
VCEFCMG553G418 24VDC
VCEFCM8210G127 24VDC
VCEFCMG353G044 DC24
VCEFBM8551G401MO AC220V
VCEFCMHT8210G002 AC220V
VCEFCM8210G038 DC24V
VCEFCP8551G317MO 24DC
- 上一篇:怎样选择双电控防爆电磁阀ASCO品牌VCEFCM8551H4 2022/5/13
- 下一篇:ASCO本安型防爆电磁阀JPIS 2022/5/12


