香港六宝典最新版开奖-免费完整资料
Chinese   English
Wuxi Aixun Automation Technology Co., Ltd. 联系电话:0510-87222301
邮箱:WXAX@WXAXZDH.COM
Contact Us   
Your Position: Home > Product > ASCO > solenoid valve
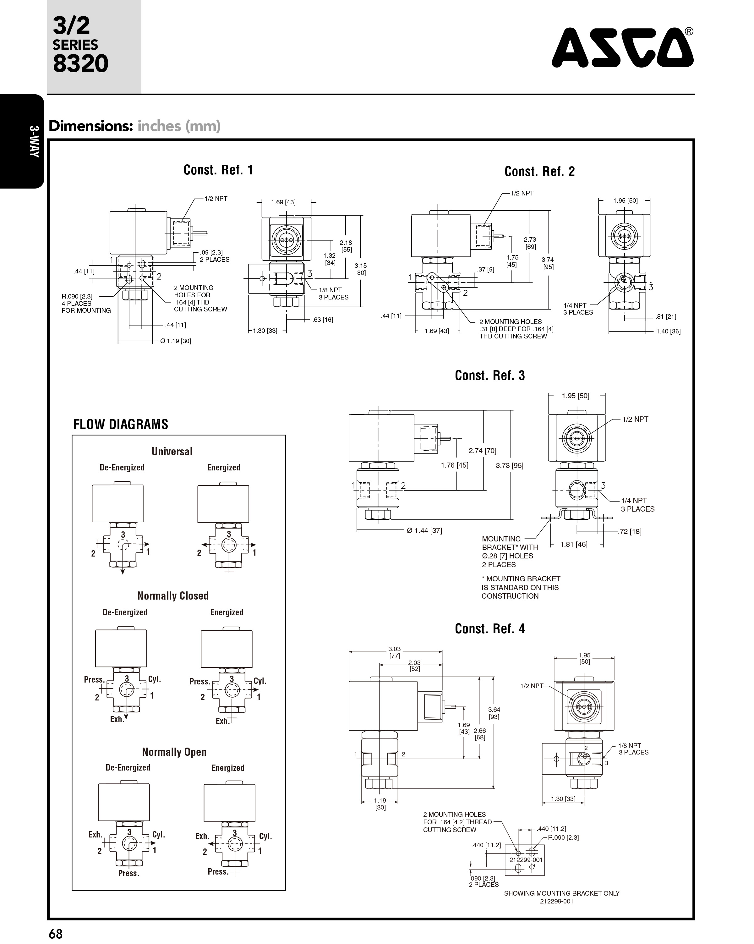
General Service Solenoid Valves 3/2 SERIES 8320

General Service Solenoid Valves 3/2 SERIES 8320

Update: 2017/11/10      View:
  • Brand:    
  • Type:    
Introduction
香港六宝典最新版开奖香港六宝典最新版开奖香港六宝典最新版开奖香港六宝典最新版开奖
More Products